1. Introduction In the world of rotating machinery, bearings are essential components that facilitate smooth motion while reducing friction and managing loads. Choosing the correct bearing type i...
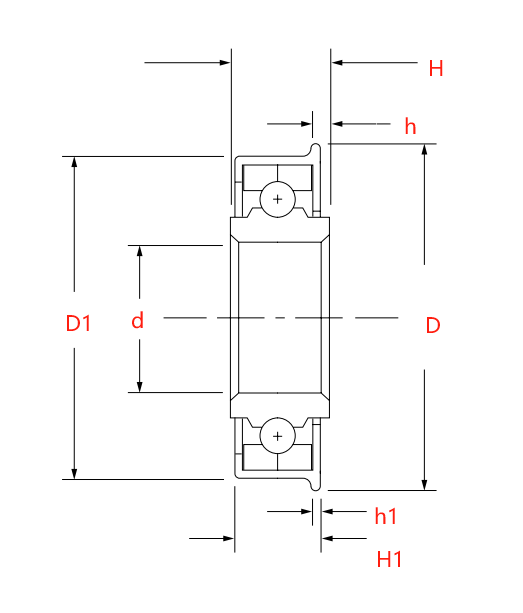
비연마 볼베어링은 사용환경과 사용환경에 따라 결정될 수 있는데, 플랜지 연결이 필요한 형상, 즉 플랜지 미연마 베어링이 있는데 특징은 플랜지와 베어링이 하나로 되어 있는 것이다. 샤프트 한쪽 끝에 연결부가 없고 판이나 벽과 같은 평면에 고정해야 하는 경우 플랜지 베어링이 그 장점을 반영합니다.















카탈로그 다운로드